

- 部件号: 200.071.000
- FR 最大径向力: 5,23 kN
- FA 最大轴向力: 1,68 kN
- 直径: 52,50 mm
- 重量: 0,60 kg
- 合适的导轨: Standard S
- Passende Anschraubplatte: AP S
- 速度: < 1,5 m/sec
- 轴承/导轨间隙: 0,3 – 1,0 mm
技术特性
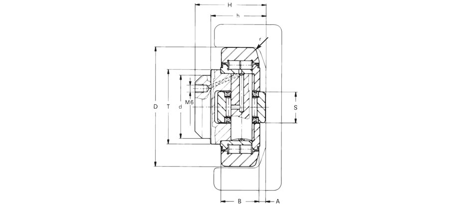
WINKEL固定式轴向轴承 | 型号 4.053 + AP S
部件号 200.071.000

| 型号 | D -0.1 [mm] | T [mm] | d -0.05 [mm] | H [mm] | h [mm] | B [mm] | A [mm] | S [mm] | r [mm] | 重量 [kg] |
| 4.053 | 52.5 | 40 | 30 | 33.0 | 27.0 | 17 | 5.0 | 15 | 2 | 0.46 |

| 型号 | FR kN | FA kN | C kN | CO kN | CA kN | COA kN | 重量 (kg) | 法兰板 | 导轨 |
| 4.053 | 5,23 | 1,68 | 24,0 | 32,0 | 7 | 7 | 0,46 | APS APS-Q | S |
图片说明 | 固定的WINKEL轴向轴承
动载荷量,径向轴承(ISO 281/1), CO = 静载荷量,径向轴承(ISO 76), CA = 动载荷量,轴向轴承(ISO 281/1), COA = 静载荷量,轴向轴承(ISO 76), FR = 载荷量,径向轴承,轴承和导轨间最大许可力, FA = 载荷量,轴向轴承,轴承和导轨间最大许可力
一般建议 WINKEL轴承
是专门为机械加工、升降和装卸运输系统而做的经济性设计
WINKEL轴承系统的优点:
- 降低设计生产成本
- 降低设计生产成本
- 可接受高径向和轴向载荷
- 坚固的导轨,适合于高动载荷和静载荷
- 轴承和导轨的使用寿命长
- 可通过焊接螺栓组装,经济实用
- 轴承部件易于更换
规格
- 对于轴承和导轨的规格,应确认最大允许的静承载力F[N]max. stat.
重复润滑
- 我们WINKEL的轴承全部是滚柱型,在非稳定运行状况下有一个轴终身润滑。凭借我们多年的经验,我们确保对一般的应用而言,在非稳定使用情况下无损轴承的使用寿命。
- 在诸如仓库以及厂房的应用中,仅需在表面喷一些商业润滑油就足够了。另外每6个月定期进行润滑。
- 从4.055到4.064的WINKEL轴承可重复润滑,可延长轴承的使用寿命。一般来讲,我们采用M6螺纹塞封闭重复润滑孔。我们发运的轴承都没有润滑油嘴。
- 在一些特殊的使用环境中,诸如在有尘、有污物、潮湿、户外、超过40度的高温、载荷变化频繁(持续运行)以及重载荷的情况下,应每个月对轴承做至少一次润滑。对此,我们建议您采用我们的润滑系统WINKEL Combi-Lub 1。
- 可用3级油脂(例如:Shell Alvania 3和Esso Beacon 3)润滑轴承
使用
- 在直径小于100毫米的WINKEL轴承上进行焊接工作时,必须将所有轴承的零件拆下。
- WINKEL Bearings with an outer diameter more than 130 mm should be welded on both sides of the bolt.
- 重装轴承后,或者进行调试后,前边的螺丝应使用乐泰胶水(LOCITITE)固定。
- 为避免焊接结合处破裂,进行焊接作业时,请采用非合金钢焊条和焊条芯。例如:采用欧盟统一标准499规定的焊条芯:E42 5 B 42 H 10。又比如:采用欧盟统一标准758规定的焊条芯T42 4 B C 3 H5/7 42 4 B M 3 H5。
- 导轨上的导槽应涂少许润滑油,不能刷油漆。
特殊设计
- 型号(PR)4.072(P)到(PR)4.080(P)的WINKEL轴承,有专门的螺栓。
系统解决方案
- 我们根据客户的需求设计制造完整的升降-输送装置。采用CAD以及先进的技术进行设计生产,确保提供输送和自动化领域的完整且灵活的解决方案。
公差
- 对于所有不允许的尺寸计数,ISO 2768-m
是专门为机械加工、升降和装卸运输系统而做的经济性设计
WINKEL轴承系统的优点:
- 降低设计生产成本
- 降低设计生产成本
- 可接受高径向和轴向载荷
- 坚固的导轨,适合于高动载荷和静载荷
- 轴承和导轨的使用寿命长
- 可通过焊接螺栓组装,经济实用
- 轴承部件易于更换
技术特性:
- 外圈由表面硬化钢UNI 16CrNi 4制成,硬度为62+2HRC
- 内圈由轴承钢En 31-SAE 52100制成,硬度为62-2HRC
- 滚柱头扁平,由En 31-SAE 52100钢制成,硬度为59~64HRC
- 焊接螺栓由C22E(材料编号:1.1151) 制成
- 从4.055到4.064的轴承可重复润滑
- 标准的WINKEL轴承耐温范围从-20℃到+80℃
- WINKEL轴承可耐高温,最高可达250℃
- The max. speed for WINKEL Bearings in steel version is 3m/s. For VULKOLLAN® and POLYAMIDE kind of bearings is the max. speed 6 m/s.
- The clearance between axial bearing and inner side of the profile should not exceed 0,5 mm.
- 螺栓公差–0.05mm
- 可用3级油脂(例如:Shell Alvania 3和Esso Beacon 3)润滑轴承
适用于 4.053 + AP S 型的法兰板,“AP S ”法兰板与 WINKEL 轴承焊接在一起

